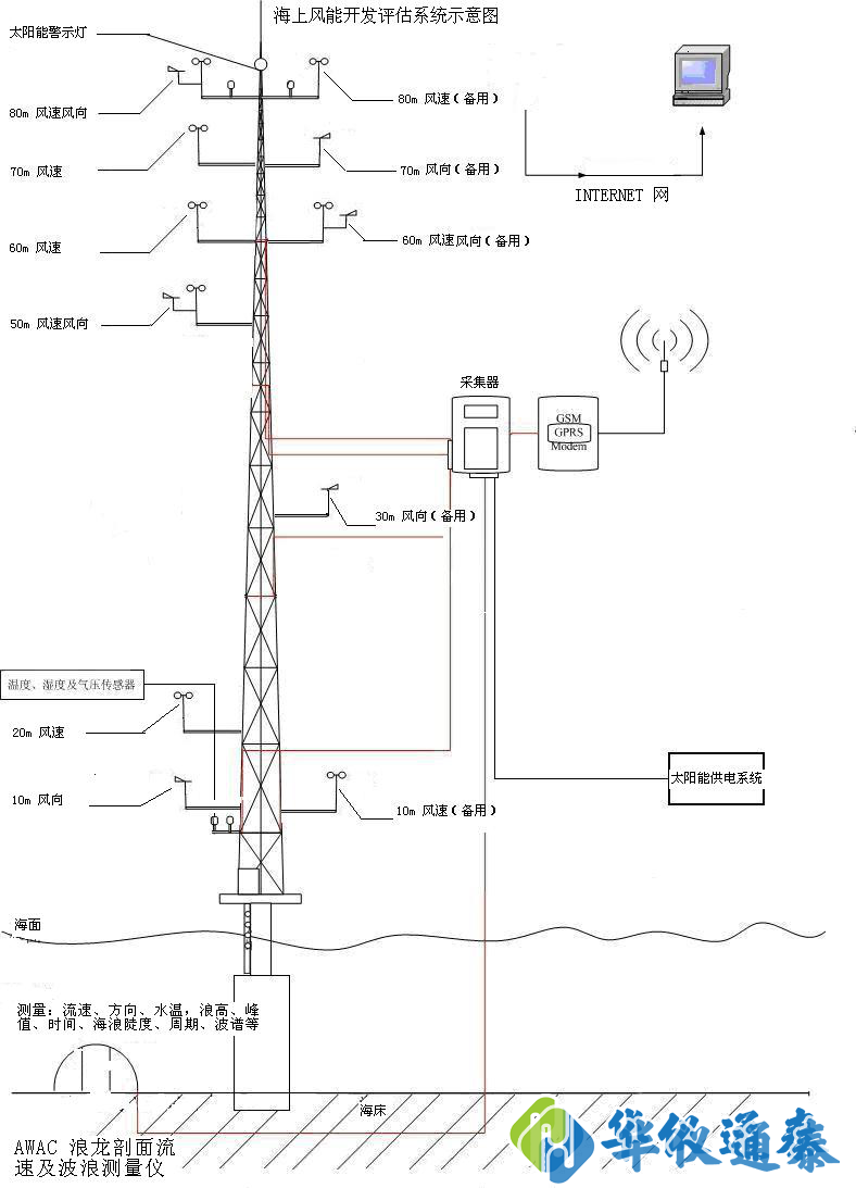
美國Campbell SR3000海上風能評估測量系統測量由海上和海下部分組成,海上部分包括:數據采集器、通信模塊(GPRS)、氣象傳感器和太陽能電源系統、航空障礙燈;海下部分包括:挪威Nortek公司AWAC超聲波式剖面流速波浪測量儀。
關鍵字:Campbell SR3000,SR3000海上風能評估測量系統
美國Campbell SR3000海上風能評估測量系統測量由海上和海下部分組成,海上部分包括:數據采集器、通信模塊(GPRS)、氣象傳感器和太陽能電源系統、航空障礙燈;海下部分包括:挪威Nortek公司AWAC超聲波式剖面流速波浪測量儀。
美國Campbell SR3000海上風能評估測量系統簡介:
海上風資源主要測量要素包括氣象要素(風速、風向、溫度、壓力、濕度)和海洋物理要素(波、浪、流速、潮、海水鹽度、濁度等,測量海流、波、浪)。
SR3000海洋風能評估測量組成:
海上部分:數據采集器、通信模塊(GPRS)、氣象傳感器和太陽能電源系統、航空障礙燈構成。
海下部分:挪威Nortek公司AWAC超聲波式剖面流速波浪測量儀。
美國Campbell SR3000海上風能評估測量系統配置:
1、CR3000數據采集器

有28個單端通道,4個脈沖通道(可以測量開關信號、高頻脈沖和低頻交流脈沖),8個數字通道(可以接開關、高頻脈沖或組合成4組RS232 COM輸入/輸出),一個CS I/O通訊口,一個RS232通訊口。1個并口可以接入CFM100 CF卡適配器或TCP/IP 通訊接口。液晶數字顯示。可以實現以下功能:
可直接接入三個風速和風向。
可以把輔助系統數采器通過COM輸入/輸出導入本系統,并把該系統數據進行遠程傳輸;
NORTEK的數據通過COM直接導入本系統,組成一體的海上海下監測系統。
2、A100LM風速風向傳感器
風速采用達到風能監測1級標準(First Class)的英國Wind Speed Ltd 公司產品A100LM。
啟動風速:0.2m/s
*大風速:77 m/s
精度:1%±0.1 m/s(50 m/s);2%(50 m/s以上)
杯距常數:2.3m±10%
工作環境溫度:-30~70 ℃
風向采用英國Wind Speed Ltd 的W200P
啟動風速:0.6m/s
*大風速:75 m/s以上
精度:±2°
工作環境溫度:-50~70℃
3、HygroclipS3空氣溫濕度傳感器

工作范圍:-40~60℃
測量范圍:0~100%RH,-40~60℃
精度:±1.5%RH;±0.3℃(23℃)
尺寸:100mm×15mm
防護等級:IP65
4、CS100大氣壓力傳感器

精度:±0.5mb(+20℃)
分辨率:±0.01mb±1.0mb0°to40℃
長期穩定性:±0.1mb每年±1.5mb(-20~50℃)
響應時間:<100ms
滯后作用:0.05mb
操作溫度:-40~60℃
5、RM Young 05106強風儀

風速
量程:0~100m/s
精度:±0.3m/s
啟動風速:1.1m/s
陣風風速:100m/s
旋槳距離常數:2.7m
輸出:交流電壓
風向
量程:0~360°(機械),355°(電子)
精度:±3°
10°位移啟動:1.1m/s
輸出:模擬信號
電源:開關激發電壓
操作溫度:-50~50℃(非凝結環境)
6、AWAC聲波多普勒剖面流速與海浪測量儀

用于測量不同水位的水流流速和流向,包括:流速、方向、水溫、浪高、峰值、時間、海浪陡度、周期、波譜等海洋水文技術參數。
Nortek的AWAC(AcousticWaveAndCurrent)聲學多普勒剖面流速及海浪測量儀,采用三個波束測量多達128層的剖面流速,并利用第四個垂直波束對海浪表面進行聲波掃描。加上高精度的壓力傳感器,準確地進行波浪方向譜分析。可以自容式獨立使用,也可以實時在線使用。軟件包括所需的波浪處理運算。“浪龍”應用水深為0~30米,從設備到水面分區可多達128層測量剖面流量。采用壓力傳感和垂向聲束聯合測量浪高。通過采集靠近表面的波浪運動數據來計算波浪方向。
AWAC系統集多普勒聲學測量、溫度、壓力傳感器、傾斜儀和羅盤于一體,以及內置存儲器和兩個可外接其他模擬傳感器的接口。系統設置、實時數據采集和數據回放完全適用試用于Window95/98/NT/2000的軟件平臺,也可以通過RS232/RS42接口由其他控制設備操作,或由裝有ActiveX軟件的計算機進行操作控制。系統調制解調器可接入沿海的計算網絡。硬件設計采用可選的48V電源,使電纜長度可超過5km,而且在掉電或電纜斷開時可自動備份數據。
7、太陽能航空障礙燈

閃光頻率:20~60次/分(可調)
閃光管壽命:1×108次
工作環境:-40~70℃
免維護蓄電池:壽命5年,12V,24AH
防護等級:IP65
發光強度:>40000cd
光控靈敏度:200LX(可調)
系統示意圖
